
- 產品名稱:阻旋料位開關ETR
- 產品編號:
- 產品概括:
- 使用精度:
一種高精度、高穩定性智能稱重系統 長期使用精度±0.2%

ETR阻旋料位開關應用范圍廣、操作簡便、堅固的鋁制外殼、通過UL、CSA、ATEX/IECex 認證、旋轉控制開/關-無螺栓、馬達自動關閉設計及雙倍密封的軸承延長了阻旋開關的使用壽命。該阻旋開關維護費用比較低、防爆、耐高溫至399℃。

應用
阻旋式料位開關用于檢測固態物料(粉裝、顆粒)物位高度的現場控制設備,其獨特的密封設計、超強的過載保護能力以及簡易的安裝方式,使其廣泛用于飼料、食品、制藥、化工、塑料、建筑、肥料等行業。
觸點類型: SPDT/DPDT,
觸點容量: 15A
輸入電壓: 12/24/240VAC, 12/24VDC
外殼等級: NEMA 3/4/12 , 材質: 鑄鋁
傳動軸材質: 316L
葉片材質: 316 L 或聚乙烯

特點
*全密閉性,屋外亦可使用。
*獨特的油封設計可防止粉塵沿軸滲入。
*扭力穩定可靠,且扭力大小可以調整。
*輕巧、安裝容易。
*葉片承受過重的負荷,馬達回轉機構會自動打滑,保護不受損壞。
*不必從桶槽上整組拆除,即可輕易的檢查維修內部的零部件。
規 格
電源:110Vac (A),220Vac (B),
240Vac (C) 50/60Hz
消耗電力:3W
接點容量:SPDT 3A/250Vac
葉片轉速:1 R.P.M.
耐電壓:AC150V×1minute
法蘭至葉片全部為SUS 304材質
測量扭矩:0.5~1.0kg-cm
接線方式:牙口1"PF,標準法蘭1"~6",2-1/2"×5kg/cm2標準規格
接線盒防護等級/材質:Exd ll C T3~T6/鋁合金烤漆
入線口規格:1/2"NPT
適用比重:0.5kg/m3(30Lb/ft3)
型號:ETR10A/B/C
牙口型
1、電源:(A)110Vac , (B)220Vac,(C)240Vac, 50/60Hz
2、消耗電力:3W
3、接點容量:SPDT 3A/250Vac
4、轉速:1R.P.M
5、扭力:0.5~1.0kg-cm
6、接續:1"PF
7、操作溫度:-10~70℃
8、接線盒規格:鋁合金烤漆(IP65)
9、入線口:1/2"PF
10、適用比重:0.5g/cm3(30Lb/ft3)
11、重 量:約1.2kg
型號:ETR11A/B/C
法蘭型

1、電源:(A)110Vac , (B)220Vac、(C)240Vac, 50/60Hz
2、消耗電力:3W
3、接點容量:SPDT 5A/250Vac
4、轉速:1R.P.M
5、扭力:0.5~1.0kg-cm
6、接續:2-1/2"×5kg/cm2
7、操作溫度:-10~70℃
8、接線盒規格:鋁合金烤漆(IP65)
9、入線口:1/2"PF
10、適用比重:0.5g/cm3(30Lb/ft3)
11、重 量:約1.7kg
型號:ETR20A/B/C
軸保護型
1、電源:(A)110Vac , (B)220Vac、(C)240Vac, 50/60Hz
2、消耗電力:3W
3、接點容量:SPDT 5A/250Vac
4、轉速:1R.P.M
5、扭力:0.5~1.0kg-cm
6、接續:2-1/2"×5kg/cm2
7、操作溫度:-10~70℃
8、接線盒規格:鋁合金烤漆(IP65)
9、入線口:1/2"PF
10、適用比重:0.5g/cm3(30Lb/ft3)
11、重 量:
L--250mm:約2.2kg
L--500mm:約2.5kg
L--750mm:約2.8kg
型號:ETR30A/B/C
軸可調型
1、電源:(A)110Vac , (B)220Vac、(C)240Vac, 50/60Hz
2、消耗電力:3W
3、接點容量:SPDT 5A/250Vac
4、轉速:1R.P.M
5、扭力:0.5~1.0kg-cm
6、接續:2-1/2"×5kg/cm2
7、操作溫度:-10~70℃
8、接線盒規格:鋁合金烤漆(IP65)
9、入線口:1/2"PF
10、適用比重:0.5g/cm3(30Lb/ft3)
11、重 量:
L--450~650mm:約2.5kg
L--650~1000mm:約2.8kg
L--750~1200mm:約3.0kg
型號:ETR40A/B/C
高溫型
1、電源:(A)110Vac、(B)220Vac、(C)240Vac, 50/60Hz
2、消耗電力:3W
3、接點容量:SPDT 5A/250Vac
4、轉速:1R.P.M
5、扭力:0.5~1.0kg-cm
6、接續:2-1/2"×5kg/cm2
7、操作溫度:200℃(max)
8、接線盒規格:鋁合金烤漆(IP65)
9、入線口:1/2"PF
10、適用比重:0.5g/cm3(30Lb/ft3)
11、重 量:約2.1kg
型號:ETR41A/B/C
高溫軸保護型
1、電源:(A)110Vac 、(B)220Vac、(C)240Vac, 50/60Hz
2、消耗電力:3W
3、接點容量:SPDT 5A/250Vac
4、轉速:1R.P.M
5、扭力:0.5~1.0kg-cm
6、接續:2-1/2"×5kg/cm2
7、操作溫度:200℃(max)
8、接線盒規格:鋁合金烤漆(IP65)
9、入線口:1/2"PF
10、適用比重:0.5g/cm3(30Lb/ft3)
11、重 量:
L--250mm:約2.6kg
L--500mm:約2.9kg
L--750mm:約3.2kg
型號:ETR46A/B/C
高溫軸長可調型
1、電源:(A)110Vac 、(B)220Vac、(C)240Vac、50/60Hz
2、消耗電力:3W
3、接點容量:SPDT 5A/250Vac
4、轉速:1R.P.M
5、扭力:0.5~1.0kg-cm
6、接續:2-1/2"×5kg/cm2
7、操作溫度:200℃(max)
8、接線盒規格:鋁合金烤漆(IP65)
9、入線口:1/2"PF
10、適用比重:0.5g/cm3(30Lb/ft3)
11、重 量:
L--450~650mm:約3.0kg
L--650~1000mm:約3.3kg
L--750~1200mm:約3.5kg
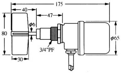
型號:ETR80(A/B/C/D)
超小型
1、電源:(A)110Vac 、(B)220Vac、(C)240Vac、(D)24Vac、50/60Hz
2、消耗電力:1.5W
3、接點容量:SPDT 3A/250Vac
4、轉速:1R.P.M
5、扭力:30~100g-cm
超小型
6、接續:3/4"PF
7、操作溫度:-20~70℃
8、接線盒規格:工程塑膠PC(IP65)
9、適用比重:0.3g/cm3(20Lb/ft3)
10、重量:約0.42kg
11、葉片材質:SUS 304
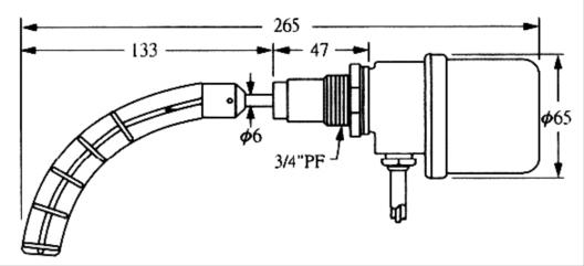
型號:ETR80(A/B/C/D)DCR
超小鐮刀型
1、電源:(A)110Vac、(B)220Vac/(C)240Vac、(D)24Vac、50/60Hz
2、消耗電力:1.5W
3、接點容量:SPDT 3A/250Vac
4、轉速:1R.P.M
5、扭力:30~100g-cm
6、接續:3/4"PF
7、操作溫度:-20~70℃
8、接線盒規格:工程塑膠PC(IP65)
9、適用比重:0.3g/cm3(20Lb/ft3)
10、重量:約0.42kg
11、葉片材質:SUS 304
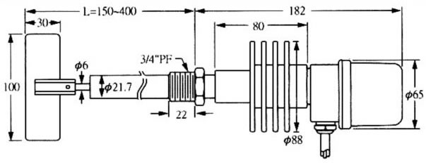
型號:ETR84(A/B/C/D)HDR
高溫小比重型
1、電源:(A)110Vac、(B)220Vac、(C)240Vac、(D)24Vac、50/60Hz
2、消耗電力:1.5W
3、接點容量:SPDT 3A/250Vac
4、轉速:1R.P.M
5、扭力:30~100g-cm
6、接續:3/4"PF
7、操作溫度:-20~70℃
8、接線盒規格:工程塑膠PC(IP65)
9、適用比重:0.3g/cm3(20Lb/ft3)
10、重量:約0.48kg
11、葉片材質:SUS 304
其他說明:特殊規格亦可定制